Bu LBP (büyük olasılıkla), benzer parametrelere sahip (ancak biraz basitleştirilmiş bir şema) daha önce bir araya getirilmiş oldukça popüler bir Çinli kurucunun “orijinal temeli” olduğundan, “orijinali” birleştirmek ilginçti (çünkü Çince versiyonunu kullanırken, ben yine de “kısa devre durumunda »çıkış çift transistörünü öldürmeyi başardı).
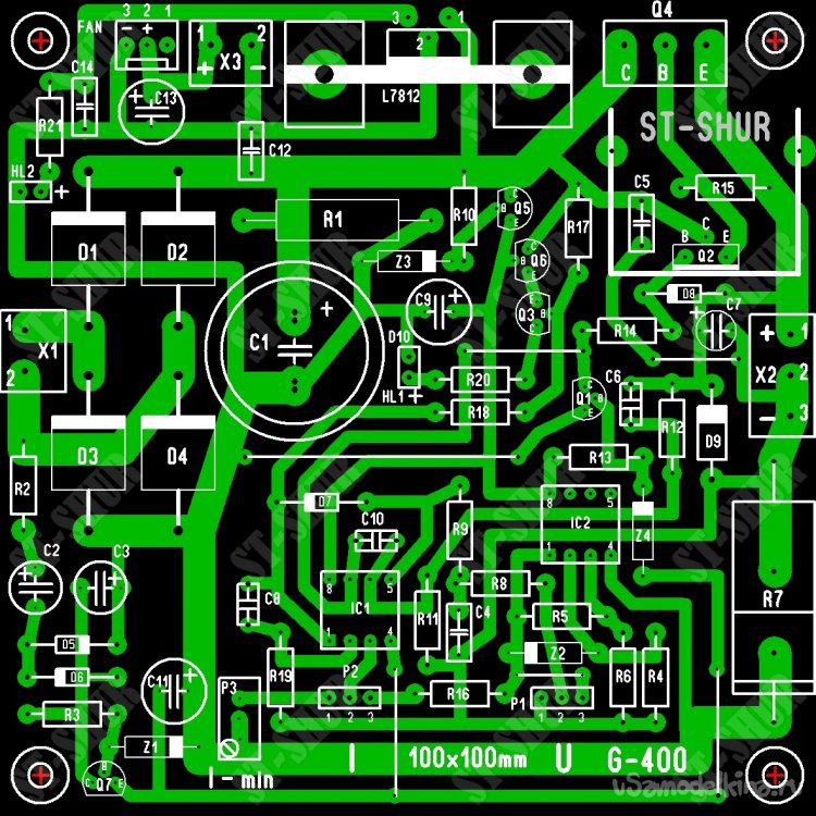
Buradaki fikir , ödeme emrinin boyutunu tek taraflı bir fiberglas 100x100mm üzerinde karşılamaktı (maliyetine ve en yakın mağazada hazır "kesme" mevcudiyetine bağlı olarak). Çünkü dergiden orijinal ödeme talimatı ve internette bulunan ödeme talimatı seçenekleri 80x135mm yani 80x135mm boyutlarındadır. 100 mm'nin ötesine geçin, hemen birine 12 voltluk bir dengeleyici ekleyerek kendi p / p varyantlarımı çizmek zorunda kaldım (kendi nüanslarına sahip 2 LBP kartına ihtiyacınız vardı).
Bu tasarım kullanıldı:
- Fan 80x80 12V 0.2A.
- Radyatör.
- Folyo fiberglas tek taraflı 100x100x1.5mm
- Bağlantı Elemanları M3.
- Montaj teli.
- Isıyla daralan makaron.
- Şemaya göre radyo bileşenleri.
- 3 mm vida dişi ile 10 mm yüksekliğinde panolar için raflar.
Kullanılan aletlerden:
- Standı delin.
- Standda MFI "Dremel".
- Havya
- Tornavidalar, tel kesiciler vb.
Tasarımlarda kullanılan parçalar dikkate alınarak montaj şeması.
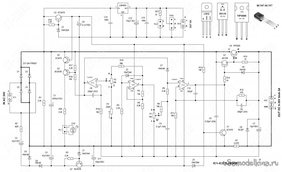
Seçenek No. 1 , orijinal devreye basit bir 12V stabilizatörün eklendiği (fana, amper-voltmetreye ve diğer olası "ilavelere" güç sağlamak için) 100x100mm boyutunda fiberglas üzerine monte edilmiştir. Daha güçlü doğrultucu diyotlar (6A'da) ve daha büyük bir kapasitör C1 (50V'de 6800uF) da kurulur. Kartın bu versiyonu, çıkış transistör Q4'ün teller kullanılarak bağlanmasını sağlar.
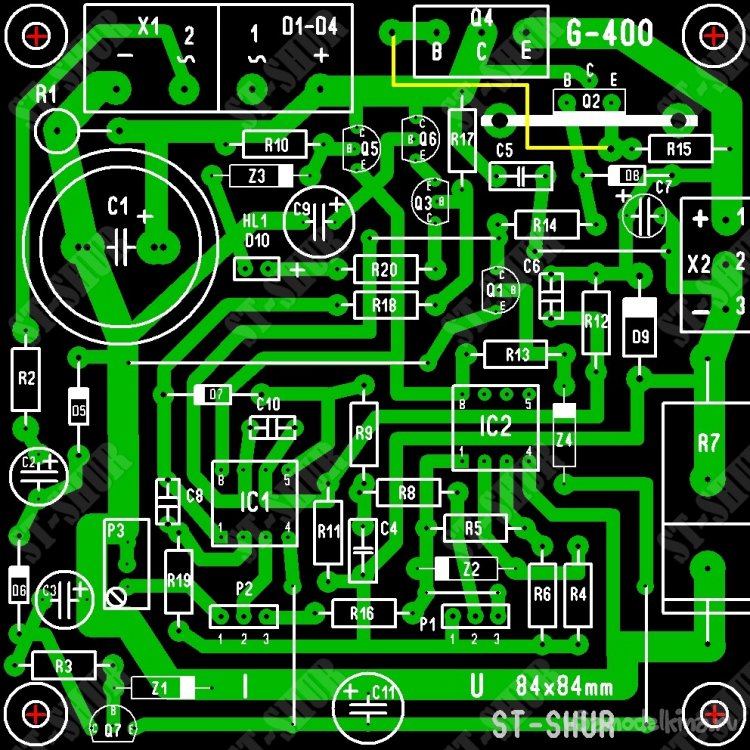
Seçenek No. 2 , 84x84mm ebadında fiberglas üzerine monte edilmiştir. Kartın boyutu, montaj deliklerinin konumu, Q4 çıkış transistörünün kontaklarının konumu, bu elemanların daha önce monte edilmiş bir Çinli tasarımcının kartındaki konumuna karşılık gelir ve bu, bir kartın değiştirilmesini kolaylaştırır. LBP durumunda bağlantı elemanlarının tasarımını değiştirmeden bir diğeri.
Çinli "Kendin Yap Kit" tasarımcısının önceden monte edilmiş panosu.
Doğrultucu diyotlar, çıkış transistörü ile aynı düzlemde bulunabilen bir KBU810 köprüsü (8A'da) ile değiştirilir. Bu, ortak bir radyatöre monte edildiklerinde oldukça uygundur. Bu versiyonda, kartta 12V sabitleyici sağlanmamıştır. Açık tip bir terminal bloğu "KEFENG KF-7.62" kullanımı nedeniyle, ortak bir radyatöre (gerekirse) sorunsuz bir şekilde monte edilmesine rağmen.
Parçaların düzeninin her iki panoda da oldukça özgür olduğu ortaya çıktı. İzlerin minimum genişliği 1,5 mm'dir - bu nedenle gerekirse bir "boya" işaretleyici ile çizmek uygundur.
Ortaya çıkan LBP panolarını (ve gelecek için) kontrol etmenin rahatlığı için bir tür düzenleyici ve gösterge yapılmıştır.
Masadaki “çalışma karmaşasından” kurtulmak için, sunta kesiminde bir tür stand hızla “birbirine çarptı”. Üzerine sabitlendi: mevcut transformatörler, radyatör, fan, terminal bloğu ve değişken dirençler için bir tutucu (gelecekte kullanabilme beklentisiyle).
İki özdeş transformatör paralel olarak bağlanmıştır. Her iki kart da basit bir dirençli yük ve bir elektronik yük üzerinde test edildi. Terminal bloklarının kullanımı sayesinde, kalıcı çalışma için (bence) lehimleme hala tercih edilmesine rağmen, doğrulama süreci oldukça uygundu.
Kontrol ederken, sonuç elde edildi (XX modunda):
- 19V trafolardan gelen giriş voltajı (kart bağlı, fan çalışıyor).
- C1 kapasitöründeki ve buna bağlı olarak köprünün çıkışındaki voltaj 22.9V'dir.
- X2 çıkışında 0V ile 20,1V arasında ayarlanabilir voltaj.
- Kısa devre akımı 3.4A (regülatörler maksimum konumdayken).
Geliştiriciler tarafından verilen LBP şemasının parametreleri (orijinal formlarında, çünkü bazen internette bazı bilgi bozulmaları bulunur).
Orijinal devrede TO-3 metal kasada belirtilen Q4 2N3055 transistörü yerine, TO-247 plastik kasada bir TIP3055 analogu kullanıldı (çünkü radyatöre takmak daha uygun ve daha az maliyetli). Isıtmalarını azaltan daha yüksek akım doğrultucu diyotlar da kullanılır.
Yıkandıktan ve işlevselliği kontrol edildikten sonra, paletlerin yan tarafındaki levhalar PLASTIK-71 elektrik yalıtım verniği ile işlendi.
Çok turlu düzeltici P3 kullanılarak minimum akım ayarlanır. Şimdiye kadar akımı 20 mA'ya ayarladım, bu LED'leri kontrol ederken oldukça uygun.
Çinli tasarımcının aksine (biraz basitleştirilmiş bir stabilizatör devresi devresi ile), bu LBP kartlarını kısa devre kullanarak “öldürmeyi” başaramadım (en azından şimdilik).
Açıklamada bir şey eksikse, umarım bu nüanslar sunulan fotoğraflarda görülebilir. Olası hatalar ve yazım hataları için şimdiden özür dilerim.
Daha fazla bilgiye ihtiyacınız varsa, postaya yazın, cevaplamaya çalışacağım. Geri bildirim, fikirler, tasarım iyileştirmeleri için öneriler ve yorumlar memnuniyetle karşılanmaktadır.
Mayıs 2022
Stanislav Shurupkin.
E-posta: st-shur@mail.ru
Sitenin yazarı olun, metin için ödeme ile kendi makalelerinizi, ev yapımı ürünlerin açıklamalarını yayınlayın. Daha fazlasını buradan okuyun .
Koleksiyonlar:LBP


























